全国咨询热线:0575-82777778

产品中心

Product Center

DJF 型电动脚踏(手摇)两用人防风机

产品介绍
产品特点
型号说明
参数表格
安装尺寸
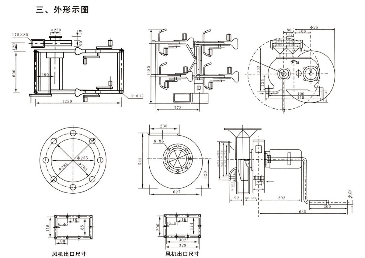
概述及其他

型号

平时(电力驱动)

电源毁坏时(人力驱动)

外形尺寸mm(长×宽 ×高)

风置(m³/h)

风压(Pa)

转速(r/min)

功率(KW)

风量(m³/h)

风压(Pa)

SR900型

900-1650

1450-2000

2900

1.1

≥900

≥830

1250×1080×1000

DJF型

2600-3060

600-900

1450

1.1

≥1200

≥400

1480×1480×900

F270

Ⅰ型

300-700

114-58

2800

三相0.55 单相0.37

≥300

≥58

440×830×325

Ⅱ型

500-1100

123-58

2800

三相0.55 单相0.55

≥300

≥58

440×830×325



一、特性及应用

该风机是专供人防工事、防空地下室、地下指挥所、地下旅馆、餐厅商场等建筑的通风使用,是各级人防工事及地下建筑必备的通风换气设备。当供电正常时电动驱动,可供地下场所的通风换气及净化空气的需要而使用,电源被毁时,在地下场所与外界隔绝的烽况下,可采用人力(SR900型两人脚踏用.DJF型四人脚踏用,F270型手摇用)带动风机运转通风,可满足400-500人的滤毒或通风防护要求。

标签:

在线客服
联系方式

热线电话

13758536789

上班时间

周一到周五

公司电话

0575-82777778

二维码
线