









DWT-Ⅰ型轴流式屋顶风机
1、概述
1.1.DWT-Ⅰ型轴流式屋顶风机,其叶片与ZD型轴流风机相仿,采用宽叶片大弦空间扭曲、倾斜式叶形,可在低速运行时达到所需风量、风压,从而降低风机噪声。
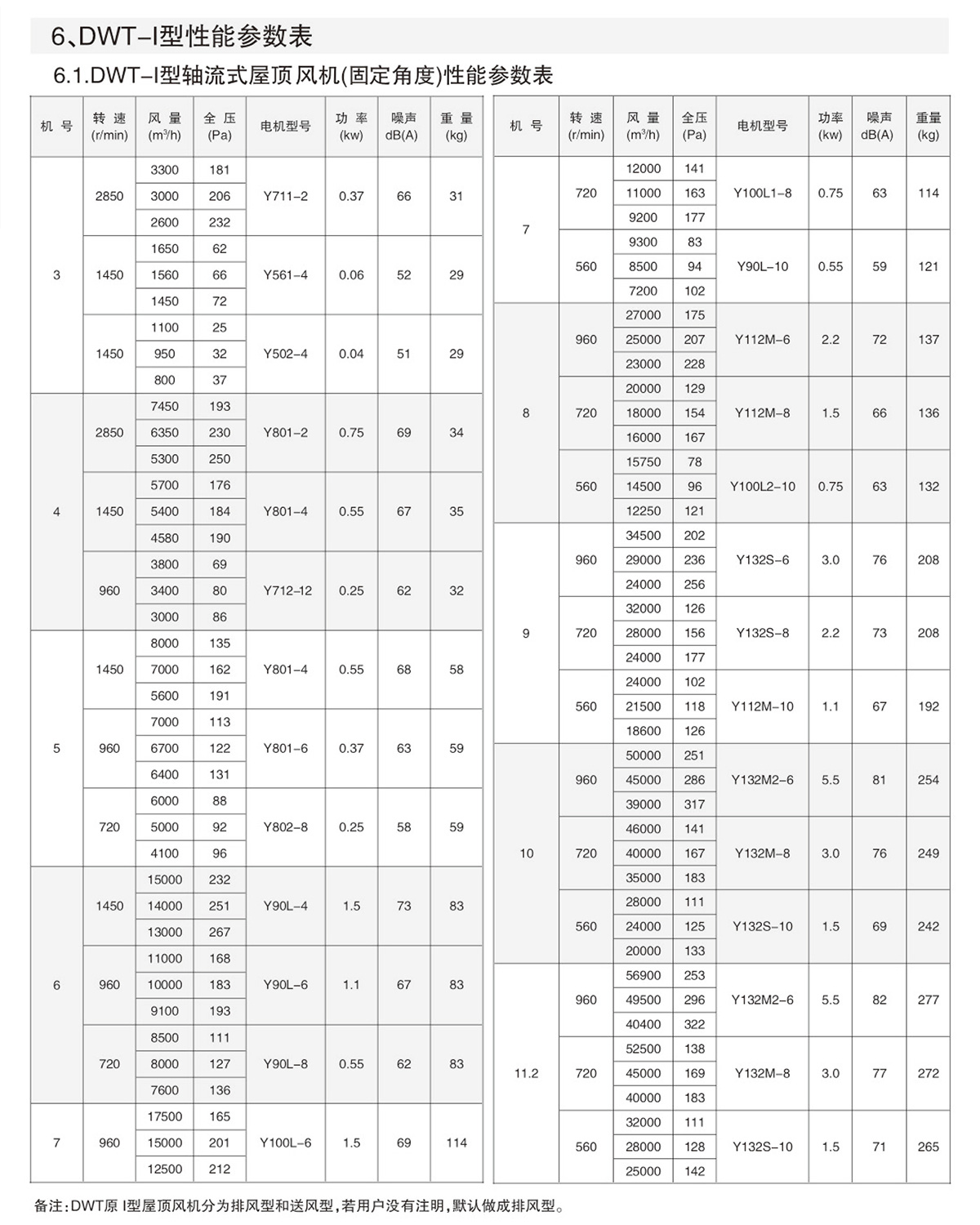
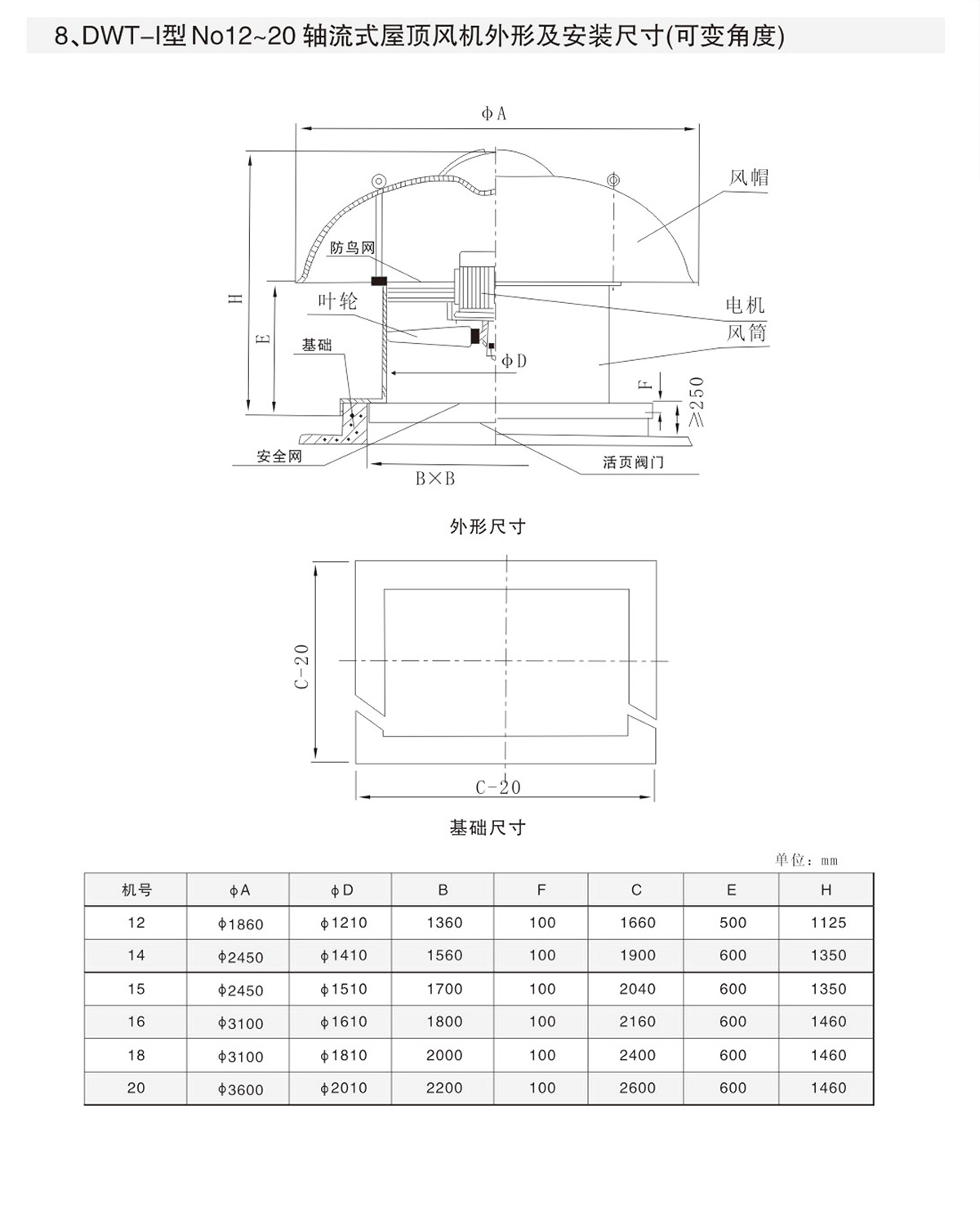
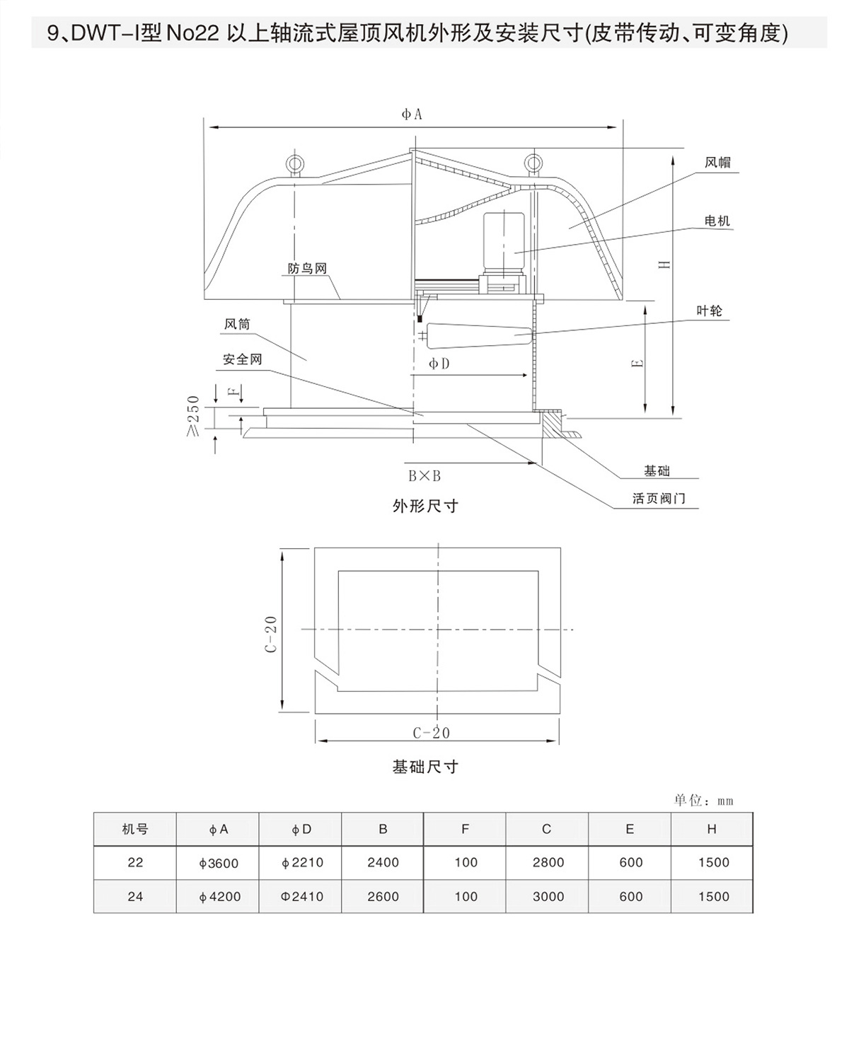
1.2.风机按叶轮机号分3#-24#十七个机号,系列风量范围从1500-220000mim全压范围从60-320Pa,机号大于等于12的风机叶片可制成叶角可调,满足不同工况需要,实现节能降噪。
1.3风机根据不同环境需要,可制成防爆型,适用于非腐蚀的含有易燃、易爆气体的场所,防腐型可适用于含有腐蚀性气体的环境中。
1.4为满足不同工况点的性能调节需要,可配用双速电机,实现两档调速,也可配用变频电机和变频控制器,实现无级调速,建议调节频率镇定在25H2-50z。
1.5风机根据用户需要可配手动或电动调节阀门、自垂百叶等。
2、工作条件
工作温度:-20-+40℃;
湿度:小于90%;
介质条件:
常规型:非腐蚀、非易燃、易爆气体(含尘量不超过100mg/m³)。
防爆型:非腐蚀含有易燃、易爆气体(含尘量不超过100mg/m³)。
防腐型:有腐蚀性气体(无任何粉尘)。
工作电源:三相、380V/50Hz。
3、应用
适用于仓库、工矿厂房、电站、车站、体育馆等中低压、大流量场所通风换气。
4、配置
4.1.标准配置
●叶轮;
●电机;
●机壳(风筒、电机支架);
●玻璃钢风帽;
●安全网。
4.2.备选件及附件订货时注明是否购买)
※手动或电动调节阀门;
※控制箱;
※自垂百叶;
※防鸟网。
5、加工工艺
5.1.风机叶轮:十字架为钢制冲压下料,液压成形,叶片为铝合金冲压后液压成形,叶片与十字架柳接装配成形。叶轮经静、动平衡校正,平衡精度不大于G5.6级。
5.2外筒法兰为采用整体翻边旋压而成,风帽为玻璃铜一次成型。
5.3防爆型、防高型风机机壳为玻璃钢一次成型。
DWT-Ⅱ、Ⅲ型离心式屋顶风机
1、概述
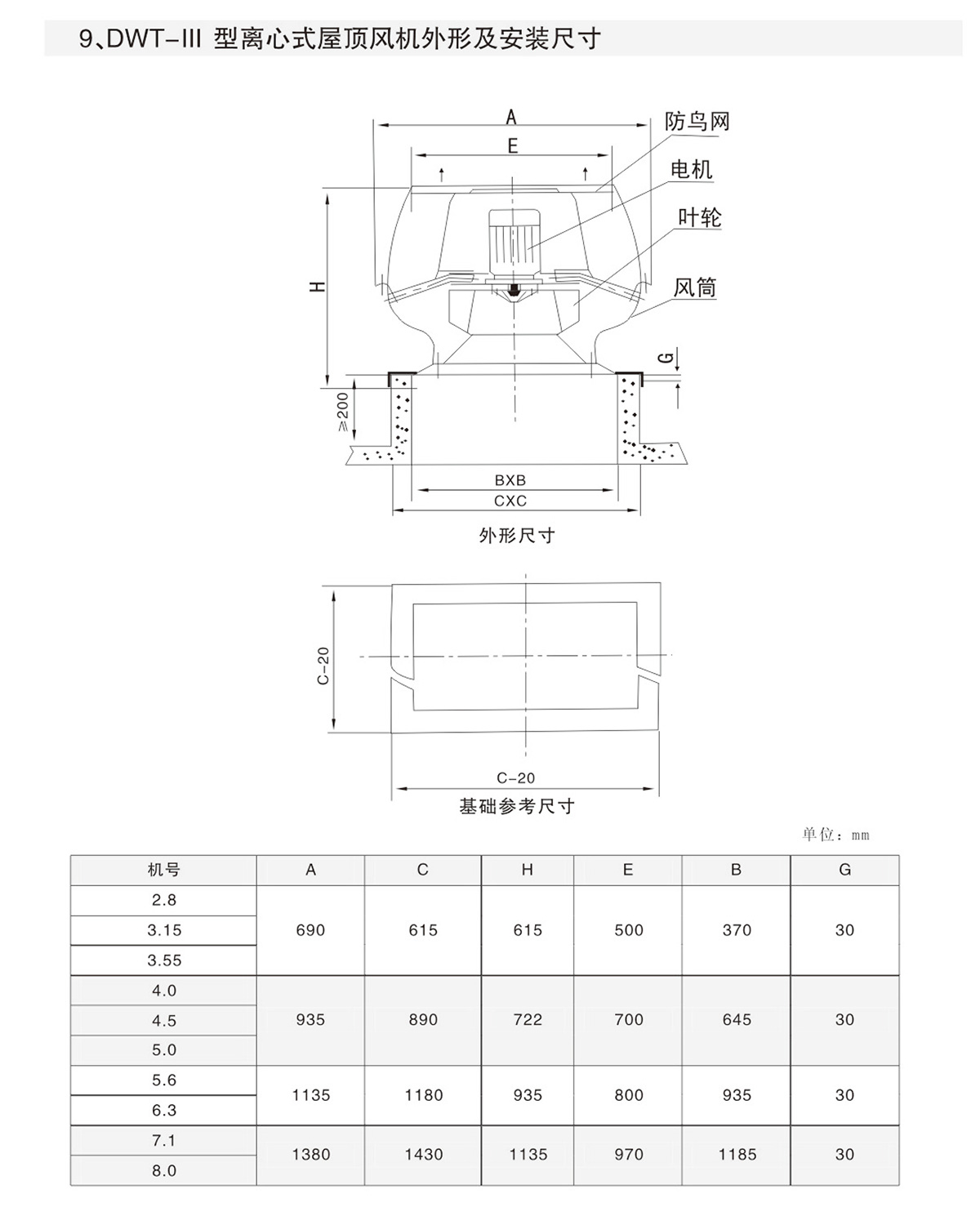
1.1.DWⅡⅢ、圆型离心式屋顶风机,其叶轮采用离心式叶轮,可适用风量小而压力较高的场所。Ⅱ型采用三层风帽,Ⅲ为无风帽。
1.2风机按叶轮机号分DWT-Ⅱ有3#-10#九个机号,系列风量范围从800-31000m³/h,全压范围从120~1100Pa。DWT-Ⅲ有2.8#~8#十个机号,系列风量范围从000~40000m³/h、全压范围从100-500Pa。
1.3风机根据不同环境需要,可制成防爆型,适用于非腐蚀的含有易燃、易爆气体的场所,防腐型可适用于含有腐蚀性气体的环境中。
1.4为满足用户对不同工况的性能调节需要,风机可配用双速电机,实现两档调速,也可配用变频电机和变频控制器,实现无级调速。建议调节频率锁定在25z-50比(订货时注明)。
1.5.风机根据用户需要可配手动或电动调节阀、自垂百叶等(订货时注明)。
2、工作条件
工作温度:-20~+40℃;
湿度:小于90%;
介质条件:
常规型:非腐蚀、非易燃、易爆气体(含尘量不超过100mg/m³)。
防爆型:非腐蚀含有易燃、易爆气体(含尘量不超过100mg/m³)。
防腐型:有腐蚀性气体(无任何粉尘)。
工作电源:三相、380V/50Hz。
3、应用
风机主要适用于工厂矿企业厂房、电站等高压、小流量场所屋顶通风换气。
4、配置
4.1.标准配置
●叶轮;
●电机;
●机壳(风筒、集流器、电机支架);
●玻璃钢风根;
●安全网。
4.2.备选件及附件(订货时注明是否购买)
※手动或电动调节阀门;
※控制箱;
※自垂百叶。
5、应用
5.1.风机叶轮材质为钢制或玻璃钢,钢制叶轮叶片冲压下料,液压成形,叶轮整体焊接装配,玻璃钢叶轮整体一次成形。叶轮经静、动平衡校正,平衡精度不大于G5.6级。
5.2.钢制机壳为焊接成形,玻璃钢机壳为一次成形。
DWT-Ⅳ型无电机涡轮排风机
1、概述
1.1.DWT-Ⅳ型无电机涡轮排风机,利用自然风力推动叶片运转,因运转产生离心力使空气流动,由于叶片相当轻薄,即使微弱的微风也能使它转动。轮转动时,便产生离心力,将涡轮下方的热空气、烟气、潮湿气体吸上来并排出。空气被抽离涡轮时,涡轮的正下方便形成低压区,即烟囱效应。由于涡轮不断地转动,室外新鲜空气也会不断的流入,于是达到了自然通风降温作用。
1.2.DWT-Ⅳ型无电机涡轮排风机无需电力、连续运转、高效节能,无噪音、无火花。排风机采用圆弧形叶片,每一叶片与叶片之间有空隙,旋转时叶片互相补位把这此空隙填补,大量雨水沿着圆的节线抛出,小量雨水则沿着叶和片流落屋顶,不会流入涡轮里,同时旋转的涡轮使空气由叶片间隙流出,阻挡雨水进入,具有防风雨特性。排风机轴承采用全封闭滚珠轴承,轻盈的不锈钢叶片,整机重量轻、寿命长,一般可使用寿命在15年以上。
2、工作条件
工作温度:-20~+80℃;
湿度:小于90%;
介质条什:空气(含尘量不超过100mg/m³)
工作电源:不用电。
3、应用
适用于工厂、仓库、大厦天台、别墅、天井、花房、禽畜养殖、矿山坑道及一切屋顶的通气、换气。
4、配置
●支叶轮;●支架。
5、加工工艺
风机叶轮叶片采用不锈钢弧形叶片,模具化成型。